The NASG maintains the track and wheel standards for the S-scale community. This page lists the latest accepted standards. Standards are maintained so that equipment from various manufacturers can run on track from various manufacturers. If you hand-lay track to these standards, the equipment made to these standards will run on your track.
Contact person: Gaylord Gill
Throughout this web site we refer to modeling in 1:64th scale as "S-scale". You will find magazines and other web sites using the term "S gauge". That terminology is not correct, but it has its roots in the early 1900s when the hobby of model railroading started. You will find similar terminology used in other scales as well (e.g. "N gauge", "HO gauge").
The word "gauge" refers to the distance between the rails, whereas "scale" is the ratio of prototype (real-world) size to the modeled size. As a side note, the word "gage" means "pledge". So, "gauge" should be used to represent the distance between the rails, and the device by which such distance is measured.
There are two common uses of the word gauge that we use in model railroading in North America, namely, "standard-gauge" (4'8-1/2" of spacing between the rails) and "narrow-gauge" (e.g. 3 feet between the rails), yet locomotives that run on these rails are both scaled to 1/64th of the real thing.
Due to S-scale's history being tied to American Flyer, there is further confusion in that, within the S-scale community, there are sub-divisions, such as American Flyer, hi-rail, scale, and narrow-gauge. Some refer to "S gauge" as meaning either American Flyer and/or hi-rail, and "S scale" as being scale modeling (standard-gauge or narrow-gauge). This is incorrect, because all models are still 1/64th of the real thing, so all are indeed S-scale.
If the distinction needs to be made between "American Flyer", "hi-rail", or "scale" modeling, it will be so indicated on this site using those words as shown in these quotes. The NMRA standard uses the term "deep-flange", which would apply to S-scale's American Flyer and hi-rail modeling (anything that uses or requires code 125 or taller rail).
Within S-scale, the difference between all of these sub-divisions really only boils down to whether or not your equipment uses deep flanges and/or American Flyer-compatible claw couplers, versus more to-scale flanges and the smaller couplers. Other distinctions, such as level of detail on the models, and whether or not animated accessories are used, are independent of these definitions and are really a personal decision the modeler makes to enjoy his or her involvement in the hobby.
Past NASG presidents Roy Hoffman and Bill Winans have publicly expressed that we should start to use the term "S-scale" instead of "S gauge". Also, past NASG Vice-President Dave Heine wrote an article in the February 2009 issue of the NASG Dispatch (pg 20), explaining the difference between scale and gauge.
The prototype for these standards are North American rail, where the standard-gauge railhead spacing is 4 feet, 8-1/2" (56.5", 143.51cm). Narrow-gauges covered here are Sn3 (3 feet, 36", 91.44cm), and Sn2 (2 feet, 24", 60.96cm). Sn42 (a.k.a Sn3-1/2, 42", 106.68cm), which is also modeled (using HO-scale track), appears to not have any formal standards.
The current NMRA standards for S-scale (1:64) models are identical to the NASG's standards. If you visit the NMRA web site, its documents list the standards for all scales. What we have done on this page is simply filter out only the ones specifically for S-scale.
The NMRA standards that start with "S-" are model railroading industry standards as maintained by the NMRA and NASG. The ones starting with "RP-" are "recommended-practices", which are not standards, but are commonly followed nonetheless.
The NMRA from time to time changes their documentation, their web site, and sometimes even the names of the standards. To eliminate a maintenance chore for this NASG web site page, we simply refer you to the NMRA's main web site page for their Standards.
It is the official position of the NASG that the code of the rail (also known as the rail height in 1,000ths of an inch) and the code of the wheels (also known as the width or thickness in 1,000ths of an inch) shall be used together to define the three categories of S:
Exceptions
The exceptional case where modelers run scale wheels on code 138 rail employing scale flangeways will be considered "Scale".
Caution
In general, rolling stock using "American Flyer" and "Hi-rail" rail codes and wheel profiles are incompatible with "Scale" rail codes
unless custom-made turnouts (switches) with movable frogs are employed.
The chart below demonstrates the above definitions. Click the image for a larger view.
Click the link of interest below, or just scroll down the page.

This table shows the minimum and maximum measurements of the distance between the railheads of general straight track for S-scale (denoted as "G" in diagrams). For hi-rail/deep-flange, minimum rail size is code 125 (see NMRA S-1.3). Note that for some uses, the gauge-maximum is different at the turnout frog than it is elsewhere (minimum is always the same).
Gauge (G)
(G) at frog
min
max
max
standard-gauge
0.883"
0.905"
0.895"
22.43 mm
22.99 mm
22.73 mm
hi-rail
0.883"
0.905"
0.895"
22.43 mm
22.99 mm
22.73 mm
proto:64
0.883"
0.902"
0.902"
22.43 mm
22.91 mm
22.91 mm
narrow-gauge Sn3
0.563"
0.585"
0.575"
14.30 mm
14.86 mm
14.60 mm
narrow-gauge Sn3, proto:64
0.563"
0.582"
0.582"
14.30 mm
14.78 mm
14.78 mm
narrow-gauge Sn2
0.413"
0.423"
0.423"
10.49 mm
10.74 mm
10.74 mm
This RP deals with the minimum track curvature recommended for the given equipment to be run on the track. "Model Radius" are the actual measurements for our S-scale models.
Minimum Turnout #
2.5
Minimum Curve
-
Prototype Radius
36'
Model Radius
7"
Minimum Turnout #
3
Minimum Curve
180°
Prototype Radius
50'
Model Radius
9.5"
Minimum Turnout #
3
Minimum Curve
100°
Prototype Radius
65'
Model Radius
12"
Minimum Turnout #
4
Minimum Curve
80°
Prototype Radius
78'
Model Radius
14.5"
Minimum Turnout #
4
Minimum Curve
60°
Prototype Radius
100'
Model Radius
19"
Minimum Turnout #
5
Minimum Curve
50°
Prototype Radius
118'
Model Radius
22.5"
Minimum Turnout #
5
Minimum Curve
40°
Prototype Radius
146'
Model Radius
27.5"
Minimum Turnout #
6
Minimum Curve
35°
Prototype Radius
166'
Model Radius
31"
Minimum Turnout #
4
Minimum Curve
60°
Prototype Radius
100'
Model Radius
19"
Minimum Turnout #
5
Minimum Curve
50°
Prototype Radius
118'
Model Radius
22.5"
Minimum Turnout #
5
Minimum Curve
40°
Prototype Radius
146'
Model Radius
27.5"
Minimum Turnout #
6
Minimum Curve
35°
Prototype Radius
166'
Model Radius
31"
Minimum Turnout #
6
Minimum Curve
30°
Prototype Radius
193'
Model Radius
36"
Minimum Turnout #
6
Minimum Curve
25°
Prototype Radius
231'
Model Radius
43.5"
Minimum Turnout #
7
Minimum Curve
20°
Prototype Radius
288'
Model Radius
54"
This NMRA RP deals with the actual shape and dimensions of the rail. It contains the actual dimensions for the individual parts of a piece of rail (rail head height, curvature, etc.), providing dimensions for codes 32 through 297. Those are probably only useful to manufacturers of model rail.
However, that RP also provides a table that matches recommended scale rail codes to the prototype type of rail modeled. We have reproduced the S-scale portion of that list below. The definition of the columns are as follows:
Prototype Weight: In the real world, rail is measured by weight, and so the numbers shown below indicate the number of pounds per yard (~1 meter) of rail.
Prototype Height: The physical height, in inches, of the rail, which is typical for that size of rail.
Model Rail: in model railroading, "code" represents the height of the rail in terms of 0.001 (one-thousandths-of-an-inch). So, "code 125" is actually 0.125 inches, or 1/8", tall. Within S-scale, typical rail codes used are 100, 88, 70, 55, and 40 for "scale" standard-gauge and narrow-gauge modeling. For S-scale, the NMRA defines deep-flange (a.k.a. hi-rail) as anything that uses code 125 or taller. Of course, choice of rail height is the modeler's prerogative, usually based on wheelsets used, prototype railroad modeled, etc. This listing is simply provided as reference.
Prototype Standard
Prototype Weight
Prototype Height
Model Rail
PRR:
155
8.000
125
AREA:
140
7.312
114
AREA:
132
7.125
111
AREA:
115
6.625
104
AREA:
100
6.000
94
AREA:
90
5.625
88
ASCE:
85
5.188
81
ASCE:
80
5.000
78
ASCE:
75
4.812
75
ASCE:
70
4.625
72
ASCE:
65
4.438
69
ASCE:
60
4.250
66
ASCE:
55
4.062
63
ASCE:
50
3.875
61
ASCE:
45
3.688
58
ASCE:
40
3.500
55
ASCE:
35
3.312
52
ASCE:
30
3.125
49
ASCE:
25
2.750
43
In North America, standard-gauge track uses wooden railroad ties which measure 8'6" (2.59m) in length, 7" (17.78cm) tall, and 9" (22.86cm) wide. The distance between the ties is typically 21" (53.34cm), so with 9"-wide ties that makes the gap between ties 12" (30.48cm). This equates to 3,000 ties per mile (1.604km).
Wooden ties provide "give" which makes the rail and the equipment riding on the rail last longer. Wooden ties are impregnated with a creosote preservative so that they can last 25 to 30 years. They weigh around 225lbs (100kg) each. Concrete ties are being used in newer track in North America. Their "give" is between the ties and the ballast. They weigh around 700lbs (318kg) each.
This table shows the coupler height for S-scale, as measured from the top of rail to the center of the knuckle. The prototype has a tolerance of +/-1.5 inches (3.81cm).
Coupler Height
Tolerance (+/-)
standard-gauge
0.531"
0.023"
13.48 mm
0.58 mm
narrow-gauge
0.4063"
0.023"
10.32 mm
0.58 mm


The dark-colored rails represent the stock rails. The letters in the diagram represent measurements that are provided in the tables, and only applies to non-proto:64 standards. For "G", which is the general track spacing, see S-1 above (specifically its third data column).
min (in)
max (in)
min (mm)
max (mm)
Check Gauge (C)
0.839
0.848
21.31
21.54
Span (S)
0.789
0.793
20.04
20.14
Flangeway at Wing Rail (F)
0.035
0.050
0.89
1.27
Flange Depth (H)
0.025
0.64
Switch Point Spread (P)
0.818
0.824
20.78
20.93
min (in)
max (in)
min (mm)
max (mm)
Check Gauge (C)
0.839
0.848
21.31
21.54
Span (S)
0.791
0.797
20.09
20.24
Flangeway at Wing Rail (F)
0.035
0.050
0.89
1.27
Flange Depth (H)
0.094
2.39
Switch Point Spread (P)
0.816
0.822
20.73
20.88
min (in)
max (in)
min (mm)
max (mm)
Check Gauge (C)
0.519
0.528
13.18
13.41
Span (S)
0.469
0.473
11.91
12.01
Flangeway at Wing Rail (F)
0.035
0.050
0.89
1.27
Flange Depth (H)
0.025
0.64
Switch Point Spread (P)
0.498
0.504
12.65
12.80
min (in)
max (in)
min (mm)
max (mm)
Check Gauge (C)
0.377
0.383
9.58
9.73
Span (S)
0.337
0.341
8.56
8.66
Flangeway at Wing Rail (F)
0.030
0.040
0.77
1.02
Flange Depth (H)
0.023
0.58
Switch Point Spread (P)
0.359
0.365
9.12
9.27
The diagram below applies only to proto:64 standards for standard- and narrow-gauge tables below. For "G", which is the general track spacing, see S-1 above (specifically its third data column).

min (in)
max (in)
min (mm)
max (mm)
Check Gauge (C)
0.851
0.853
21.62
21.67
Span (S)
0.814
0.823
20.68
20.90
Flangeway at Frog (F)
0.028
0.030
0.710
0.760
Flangeway at Guard (F)
0.031
0.031
0.790
0.790
Flange Depth (H)
0.020
0.510
Switch Point Spread (P)
0.809
20.55
min (in)
max (in)
min (mm)
max (mm)
Check Gauge (C)
0.530
0.533
13.46
13.54
Span (S)
0.494
0.503
12.55
12.78
Flangeway at Frog (F)
0.028
0.030
0.710
0.760
Flangeway at Guard (F)
0.032
0.032
0.810
0.810
Flange Depth (H)
0.020
0.510
Switch Point Spread (P)
0.488
12.40
This RP deals with the actual dimensions of the various pieces and rails that make up a turnout. The NMRA has documents showing the individual measurements, labeled in the diagrams below, for both straight and curved turnouts, in frog numbers from 4 through 20. The documents for S-scale are copied here to our web site, because the NMRA keeps them in one large .zip file for all of the scales together. So, rather than having to download that entire file, and then needing to extract the one or two documents that you actually want, you can download them directly from our web site (see links below).


standard straight turnout (PDF)
standard curved turnout (PDF)
hi-rail straight turnout (PDF)
hi-rail curved turnout (PDF)
proto:64 straight turnout (PDF)
proto:64 curved turnout (PDF)

The letters in the diagram represent measurements that are provided in the tables.
min (in)
max (in)
min (mm)
max (mm)
Wheel Check Gauge (K)
0.830
0.839
21.08
21.31
Back to Back (B)
0.800
0.809
20.32
20.55
Wheel Width (N)
0.110
0.110
2.79
2.79
Flange Width (T)
0.030
0.76
Flange Depth (D)
0.030
0.76
Wheel Code (W)
110
110
110
110
min (in)
max (in)
min (mm)
max (mm)
Wheel Check Gauge (K)
0.770
0.777
19.56
19.74
Back to Back (B)
0.705
0.712
17.91
18.09
Wheel Width (N)
0.172
4.37
Flange Width (T)
0.063
0.067
1.60
1.70
Flange Depth (D)
0.095
2.41
min (in)
max (in)
min (mm)
max (mm)
Wheel Check Gauge (K)
0.510
0.519
12.95
13.18
Back to Back (B)
0.480
0.489
12.19
12.42
Wheel Width (N)
0.110
0.110
2.79
2.79
Flange Width (T)
0.030
0.76
Flange Depth (D)
0.030
0.76
Wheel Code (W)
110
110
110
110
min (in)
max (in)
min (mm)
max (mm)
Wheel Check Gauge (K)
0.370
0.377
9.40
9.58
Back to Back (B)
0.345
0.352
8.76
8.94
Wheel Width (N)
0.088
0.088
2.24
2.24
Flange Width (T)
0.025
0.64
Flange Depth (D)
0.023
0.58
Wheel Code (W)
88
88
88
88
min (in)
max (in)
min (mm)
max (mm)
Wheel Check Gauge (K)
0.842
0.850
21.39
21.59
Back to Back (B)
0.825
0.834
20.96
21.18
Wheel Width (N)
0.087
0.092
2.21
2.34
Flange Width (T)
0.017
0.019
0.43
0.48
Flange Depth (D)
0.018
0.020
0.46
0.51
Wheel Gauge (K + T)
0.859
0.872
21.82
22.15
min (in)
max (in)
min (mm)
max (mm)
Wheel Check Gauge (K)
0.522
0.529
13.26
13.44
Back to Back (B)
0.505
0.514
12.83
13.06
Wheel Width (N)
0.087
0.092
2.21
2.34
Flange Width (T)
0.017
0.019
0.43
0.48
Flange Depth (D)
0.018
0.020
0.46
0.51
Wheel Gauge (K + T)
0.539
0.552
13.69
14.02
This RP deals with the dimensions of trucks. The purpose is to make it easy to interchange trucks between cars. The diagram below applies to the S-scale measurements listed below it.

(P) Kingpin Size: 0.112" (#4)
(E) Truck Bolster Hole: 0.116 (#32 Drill)
(D) Center Plate Diameter: 3/8" max.
(Bc) Center Bolster Bearing (freight): 13/32"
(Bc) Center Bolster Bearing (passenger): 1/2"
(Bs) Side Bolster Bearing: not recommended
(Si) Distance Side (inside): not recommended
(So) Distance Side (outside): not recommended
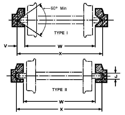
This RP deals with the dimensions of journals. The diagram below applies to the S-scale measurements listed below it.

(J) Journal Bore min. diameter: 0.067"
(V) Journal Bore min. depth: 0.123"
(X) Journal Bore min. span: 1.314"
(W) Journal Face min. spacing: 1.068"
This RP deals with the dimensions of axles. The diagram below applies to the S-scale measurements listed below it. The standard lists this specific note for S-scale: "Axle insulating bushings are optional, and, if used, may extend beyond the outer face of the wheel. The maximum allowable distance over the outer faces of bushings shall be 1.064 inches."

(A) Axle Diameter max.: 0.063"
(Y+) Shoulder min.: 3/32"
(U) Axle Length max.: 1.310"
This section concerns itself with standards for traction motive power.
Imperial
Metric
Overhead Contact Wire Gauge (AWG)
26
26
Overhead Contact Wire Diameter
0.016"
0.41 mm
Nominal Wire Height (City/Interurban)
3-15/16"
100 mm
Nominal Wire Height (Heavy Railroad)
4-5/16"
110 mm
Pantograph Operation Maximum Offset
5/16"
7.9 mm
Pantograph Contact Shoe Min. Length
3/4"
19.0 mm
Pole Base Mounting
#60 pin (3.8")
Pole Base Mounting Car Receptacle
threaded 2-56
The diagram below applies to the S-scale measurements listed below it.

Imperial
Metric
Trolley Wheel Width (W)
1/16" (+/-5%)
1.6 mm (+/-5%)
Trolley Wheel Diameter (D)
1/8" (+/-5%)
3.2 mm (+/-5%)
Contact Force (minimum)
0.3 oz
0.08 N
Contact Force (maximum)
0.4 oz
0.11 N
The diagram below applies to the S-scale measurements listed below it.

Imperial
Metric
Third Rail Height Above Railhead (E)
3/32"
2.4 mm
Third Rail Offset from Gauge Line (R)
7/16"
11.1 mm
These clearances and track centers provide for interchange and satisfactory operation of interurban and street railway equipment only. The outside clearance is the amount of space to leave unobstructed from the outside-of-the-curve rail out. The inside clearance is the amount of space to leave unobstructed from the inside-of-the-curve rail out. Track center is measured between two tracks' centerlines (midway between the rails). All dimensions given apply to S-scale models only.
Prototype Radius
Model Radius
Clearance (inside)
Clearance (outside)
Track Center
35'
6-9/16"
2-9/32"
1-25/32"
3-3/4"
45'
8-7/16"
2-1/32"
1-11/16"
3-1/2"
60'
11-1/4"
1-25/32"
1-5/8"
3-1/4"
75'
14-1/16"
1-21/32"
1-17/32"
3-1/16"
100'
18-3/4"
1-17/32"
1-7/16"
2-29/32"
125'
23-7/16"
1-7/16"
1-13/32"
2-13/16"
150'
28-1/8"
1-13/32"
1-3/8"
2-3/4"
175'
32-13/16"
1-3/8"
1-5/16"
2-23/32"
200'
37-1/2"
1-5/16"
1-9/32"
2-11/16"
straight
1-1/8"
1-1/8"
2-3/8"
This standard specifies the clearances for bridges, structures, and tangent tracks for Old Time (pre-1920), Classic (1920-1969), and Modern (post-1983) eras. The NASG sells clearance gauges for the "Classic" and "Modern" eras (click on "Store" on the left, then "NASG Company Store").

Old Time
Classic
Modern
in
mm
in
mm
in
mm
(A)
1-1/8
29
1-13/32
36
1-11/16
43
(B)
9/16
14
3/4
19
1-1/8
29
(C)
3/4
19
1-1/8
29
9/16
14
(D)
1-7/8
48
2-1/4
57
3
76
(E)
9/16
14
3/4
19
3/4
19
(F)
3/8
10
15/32
12
(n/a)
(n/a)
(G)
1-1/32
26
1-1/8
29
1-1/8
29
(H)
3-3/16
81
4-1/8
105
4-5/16
110
(P)
1-1/32
26
1-1/8
29
1-1/16
27
This standard specifies the distance between two tracks' centerlines (midway between the rails). Curved track is assumed to be eased. "Actual" is the actual measurement for S-scale models. The NMRA used to have this flagged as section S-8 of the standard, but sometime in 2020/2021 they changed it to "RP-7.2", because a "standard" is one that is required to make a train operate on a layout, whereas track centers do not necessary require to be accurate to be able to operate a layout (e.g. one train running on a double-tracked layout where the curves are too close to each other; that one train can still run just fine). Hence, it is now considered a "recommended practice".
In the standard-gauge table below, the following represents the kind of equipment presumed to be running on the tracks.
Class II
Class I
Class Ia
usage
actual
scale
actual
scale
actual
scale
Yards:
2-13/16"
15'
2-13/16"
15'
2-13/16"
15'
Sidings:
2-13/16"
15'
2-13/16"
15'
2-13/16"
15'
Straight:
2-7/16"
13'
2-7/16"
13'
2-7/16"
13'
215" radius:
2-7/16"
13'
2-9/16"
13'8"
2-11/16"
14'4"
108" radius:
2-1/2"
13'4"
2-5/8"
14'
2-7/8"
15'4"
72" radius:
2-9/16"
13'8"
2-3/4"
14'8"
3-1/16"
16'4"
54" radius:
2-5/8"
14'
2-13/16"
15'
3-1/4"
17'4"
43" radius:
2-11/16"
14'4"
2-7/8"
15'4"
3-3/8"
18'
36" radius:
2-3/4"
14'8"
3"
16'
*
*
31" radius:
2-13/16"
15'
3-1/8"
16'8"
*
*
27" radius:
2-7/8"
15'4"
*
*
*
*
25" radius:
3"
16'
*
*
*
*
* Not prohibited, but also not recommended.
usage
actual
scale
Yards:
2-1/4"
12'
Sidings:
2-1/4"
12'
Straight:
2-1/16"
11'
215"-radius:
2-1/16"
11'
108"-radius:
2-1/16"
11'
72"-radius:
2-1/8"
11'4"
54"-radius:
2-1/4"
12'
43"-radius:
2-3/8"
12'8"
36"-radius:
2-7/16"
13'
31"-radius:
2-9/16"
13'8"
27"-radius:
2-5/8"
14'
25"-radius:
2-3/4"
14'8"
The design specifications for a three-point track gauge. So far only the standard-gauge version has been defined and standardized. See the previous section for the definitions of "Class II", "Class I", and "Class Ia". For "G", which is the general track spacing, see S-1 above.
For Class II, the gauge length (L) at a 25" radius is 1-7/8".
For Class I, the gauge length (L) at a 31" radius is 2-3/32".
For Class Ia, the gauge length (L) at a 43" radius is 2-7/16".

The S-scale car weight standard is as follows:
imperial
2 ounces plus 1/2 ounce per inch of car body length.
metric
56.7 grams plus 5.58 gram per centimeter of car body length.
A couple of examples are:
A standard 40-foot box car should weigh 5.75 ounces (2oz + (7.5" x 0.5oz)), or 163 grams for a 19.1cm car.
A standard 50-foot reefer should weigh 6.7 ounces (2oz + (9.375" x 0.5oz)), or 190 grams for a 23.8cm car.

The car weight standard is as follows:
imperial
1 ounce plus 1/2 ounce per inch of car body length.
metric
28.35 grams plus 5.58 gram per centimeter of car body length.
For any of our S-MOD documentation, see our dedicated S-MOD Modules page.
For any of the S-scale version of the T-TRAK system, see our dedicated T-TRAK Modules page.
For any of the S-scale versions of the Free-mo system, see our dedicated Free-mo Modules page.
To aid in enforcing or implementing the above-mentioned dimensions, there are several gauges available on the market. The NASG sells several, which you can find in the Store section of our web site. You can view the enclosed instructions sheet here (PDF). The NMRA also carries our standard-gauge and Sn3 gauge, for those of you who are NMRA members. Finally, there are several manufacturing companies that offer gauges of different shapes and styles, such as Tomalco Track, Railway Engineering, P-B-L, CESCO (Sn3, via Shapeways), Copper Range Products (Sn2, via Shapeways), Clover House, Crusader Rail Services, Fast Tracks, Great Decals!, etc.
As a historical note, when the current NASG steel wheel-and-track gauge was first manufactured, the company that did the actual work, printed the text on the gauge in mirror-image. The gauge itself was perfectly fine; one just had to ignore the texts. A number of them went out into the public, but they were marked with a permanent marker with an "X" on them, as is shown in the photo below. These are no longer being sold, but you might still stumble across one in an estate sale. At least now you know what they are.
